

Afin de faciliter le montage de nos écrous de vis à billes, nous avons développé une gamme de supports d’ecrous pour écrous de vis à billes fabriqués suivant la norme DIN69051.
Avantages :
– Gain de temps au montage,
– Interchangeabilité sur l’ensemble de la gamme DIN69051,
– Grand nombre d’écrous adaptables :
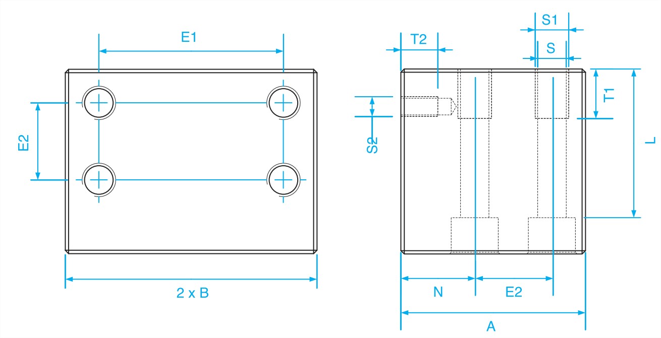
| Référence Type | Dimensions mm | FORME | ISO4762 | Poids / weight | ||||||||||||||
| D1 +/-0.1 | D6 | A | B +/-0.1 | H +/-0.1 | H1 | E1 +/-0.1 | E2 +/-0.1 | N | S | S1 | T1 | S2 | T2 | L | g | |||
| MGDA16 | 28.4 | 38 | 50 | 35 | 24 | 48 | 50 | 20 | 20 | 8.4 | M10 | 15 | M5 | 10 | 37 | BB2 | M8 | 910 |
| MGDA20 | 36.4 | 47 | 55 | 37.5 | 28 | 56 | 55 | 23 | 22 | 8.4 | M10 | 15 | M6 | 11 | 45 | BB2 | M8 | 1180 |
| MGDA25 | 40.4 | 51 | 55 | 40 | 30 | 60 | 60 | 23 | 22 | 8.4 | M10 | 15 | M6 | 11 | 49 | BB2 | M8 | 1330 |
| MGDA32 | 50.4 | 65 | 70 | 50 | 35 | 70 | 75 | 30 | 27 | 13 | M16 | 20 | M8 | 14 | 52 | BB2 | M12 | 2770 |
| MGDA40 | 63.4 | 78 | 80 | 60 | 42 | 80 | 90 | 35 | 31 | 15 | M18 | 25 | M8 | 17 | 66 | BB1 | M12 | 3610 |
| TYPE | ||||
| MGDA16 | MGDA20 | MGDA25 | MGDA32 | MGDA40 |
| SFNUR16 | SFNUR20 | SFNUR25 | SFNUR32 | SFNUR40 |
| SFNUL16 | SFNUL20 | SFNUL25 | SFNUL32 | SFNUL40 |
| SND16 | SND20 | SND25 | SND32 | SND40 |
| SFAR16 | SFAR20 | SFAR25 | SFAR32 | SFAR40 |
Obtenir une information, via notre formulaire : CLIQUEZ ICI
Obtenir une information, via notre formulaire :
Un expert prendra en charge votre demande afin de répondre au mieux sur ce produit.
Conformément à l’article 43 de la loi ‘Informatique et Libertés’ relative à l’informatique, aux fichiers et aux libertés, vous disposez d’un droit d’accès, de modification, de rectification et de suppression des données qui vous concernent sur simple demande ecrite à commercial@fli-industrie.fr
